El
74HC00
74HC00
RENESAS
74HC00 ST SOP
In Stock: 6124 pcs
, un miembro prominente de la familia CMOS Logic IC, integra cuatro puertas NAND en un solo paquete, aprovechando la tecnología de puerta de silicio para que coincida con las velocidades operativas LS-TTL con un consumo de energía notablemente más bajo.Esta combinación de velocidad y eficiencia, aumentada por su capacidad para conducir hasta diez cargas LS-TTL y sujeción de diodos internos para la protección de descarga electrostática, posiciona el 74HC00 como un componente versátil y confiable en el diseño del circuito digital.Puede apreciar sus salidas amortiguadas para una inmunidad de ruido mejorada y su compatibilidad con varios equivalentes estándar de la industria, lo que lo convierte en una piedra angular en la creación de sistemas digitales innovadores y robustos.
Catalogar
El
74HC00
74HC00
RENESAS
74HC00 ST SOP
In Stock: 6124 pcs
, incorporando cuatro puertas NAND, se destaca por su alineación con la familia LS-TTL.
Empleando la tecnología CMOS de puerta de silicio, logra velocidades operativas similares a LS-TTL al tiempo que mantiene un enfoque en el consumo de baja potencia.Este equilibrio le permite aprovechar la velocidad y la eficiencia, cultivando diseños que resuenan con el ingenio.Las salidas de la puerta tamponada mejoran la inmunidad de ruido, un factor que contribuye al rendimiento estable incluso en entornos de señal desafiantes.
Su capacidad de conducir hasta diez cargas de LS-TTL lo hace adecuado para sistemas donde se desean numerosas salidas de señal.
Equipado con sujeción de diodos internos, minimiza los riesgos asociados con la descarga electrostática.Esta característica enfatiza su papel en la extensión de la longevidad del componente, reflejando sutilmente la sabiduría en la búsqueda de confiabilidad a largo plazo.
Reemplazos y equivalentes:
•
CD4011
CD4011
I-CORE
701
In Stock: 25220 pcs
• MC54HC00AJD
• M74HC00M1
• SN54LS00
• SN74HCT00DTE4
• 74HCT132d
•
74HCT00
74HCT00
TI
74HCT00 ST SOP14
In Stock: 2870 pcs

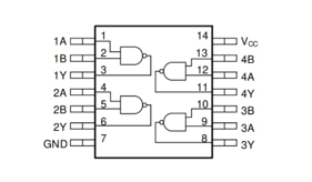
• Pins 1, 2, 4, 5, 9, 10, 12, 13: entradas de datos
Estos pines están diseñados para recibir señales de entrada que guían las operaciones lógicas de las puertas NAND dentro del chip.Asegurar que estas entradas estén libres de interferencias fomentan el comportamiento del circuito confiable, reflejando el control y la previsibilidad.
• Pines 3, 6, 8, 11: salidas de datos
Actuando como salidas, estos pines transmiten los resultados de los cálculos de la puerta NAND.Se pueden emplear en diversas construcciones lógicas digitales, tejiendo patrones lógicos complejos.Cuando se conectan múltiples circuitos a una sola salida, los efectos de carga potenciales insinúan el delicado equilibrio requerido en relaciones complejas.
• Pin 7: tierra (GND)
Este PIN se conecta a la tierra del sistema para proporcionar un punto de referencia constante para voltajes.Establecer una conexión tan estable se alinea con la búsqueda natural de la base y la claridad, minimizando las perturbaciones.
• Pin 14: Fuente de energía positiva (VCC)
Alimentar el voltaje correcto a través de este pin admite el rendimiento del dispositivo.Si bien se mantiene dentro del rango especificado mejora la longevidad y la eficiencia, colocar condensadores de desacoplamiento cerca de los pines de potencia puede estabilizar sustancialmente la operación, lo que refleja estrategias para manejar las complejidades de la vida.
El
74HC00
74HC00
RENESAS
74HC00 ST SOP
In Stock: 6124 pcs
está diseñado con cuatro puertas NAND independientes que se centran en la eficiencia energética, lo que lo atrae con su rendimiento confiable en los circuitos digitales.Su impresionante inmunidad de ruido contribuye a aplicaciones estables, que muchos encuentran que atraen a los proyectos que priorizan la consistencia.Disponible en formatos DIP y SOIC, cumple con diversos requisitos de diseño y ofrece opciones de diseño de PCB flexibles.
La adaptabilidad del 74HC00 le permite caber en una amplia gama de configuraciones lógicas y sistemas intrincados.Puede valorar su capacidad de conducción de entrada/salida robusta, encontrándola útil para elaborar funciones digitales complejas.
Su capacidad de operar en diferentes condiciones hace que el 74HC00 sea popular en educación y desarrollo de prototipos.La facilidad con la que se adapta al aumento de la complejidad del circuito lo inspira a explorar nuevas innovaciones sin sacrificar el rendimiento.
Descripción general del fabricante
Texas Instruments se ha ganado una reputación por su dedicación a la creación de productos de semiconductores confiables e innovadores.Con su enfoque inquebrantable en la durabilidad y el rendimiento superior, los componentes de Texas Instruments se encuentran en el corazón de numerosas aplicaciones, mostrando su papel efectivo en la industria electrónica.
Dimensiones físicas
Mediendo 8.65 mm x 3.91 mm x 1.58 mm, el
74HC00
74HC00
RENESAS
74HC00 ST SOP
In Stock: 6124 pcs
cuenta con un diseño elegante adaptado para entornos compactos.Estas dimensiones simplifican la integración en diseños de placa de circuito variados, lo que le permite aprovechar al máximo el espacio limitado sin comprometer las notables capacidades del dispositivo.
Características eléctricas
El voltaje de suministro abarca de 2 V a 6V, ofreciendo adaptabilidad en la selección de fuentes de energía y garantizando la compatibilidad con un amplio espectro de circuitos digitales.Este rango de voltaje admite aplicaciones versátiles, lo que permite que el 74HC00 se ajuste con precisión a las demandas cambiantes en entornos dinámicos.
Temperatura y condiciones ambientales
Operando de manera efectiva entre -40 ° C y 85 ° C, el dispositivo está diseñado para prosperar en diversos climas y condiciones industriales.Su resistencia contra la temperatura extrema lo convierte en una opción preferida para la electrónica de consumo y las aplicaciones industriales, donde la variabilidad ambiental es un hecho.
Métricas de rendimiento
Al ofrecer un retraso de propagación de 23 nanosegundos, el 74HC00 sobresale en la eficiencia de procesamiento requerida para funciones lógicas de alta velocidad.Este rendimiento rápido es ventajoso para aplicaciones como el control de señales digitales y los sistemas de comunicación, donde el intercambio rápido de datos es una necesidad.
Composición estructural
El dispositivo incluye 4 puertas, para operaciones lógicas NAND, que proporciona una funcionalidad sustancial para diseños lógicos intrincados.Esta configuración resulta ventajosa cuando se necesitan operaciones lógicas para ejecutarse de manera eficiente, asegurando un procesamiento rápido y confiable dentro de los sistemas.
Clasificación
Funcionando como una puerta lógica, el 74HC00 sirve como un componente principal en la creación de circuitos digitales.Puede usar estos elementos para construir sistemas digitales complejos, mejorando así la potencia computacional y las capacidades de procesamiento de avance de manera innovadora.
El
74HC00
74HC00
RENESAS
74HC00 ST SOP
In Stock: 6124 pcs
integra cuatro puertas NAND separadas, cada una con dos entradas que conducen a una sola salida.La operación depende de una tabla de verdad detallada.Específicamente, la salida cae a baja solo si ambas entradas son altas.De lo contrario, la salida se mantiene alta: un elemento principal en el diseño de lógica digital, que actúa como un componente central en la elaboración de circuitos más intrincados.
La retroalimentación positiva influye sutilmente en la estabilidad en estas puertas.A medida que cada puerta procesa sus entradas, la retroalimentación sirve para reforzar un estado de salida estable, fomentando un rendimiento constante.Este equilibrio se alcanza armonizando las reacciones de la puerta con los valores de entrada.Puede aprovechar este aspecto para forjar circuitos que exigen estados lógicos confiables, descubriendo una capa de previsibilidad asegurada.
Agarrar las sutilezas de la dinámica de entrada-salida dentro de las puertas NAND mejora el potencial de diseños de circuitos simplificados.Las aplicaciones comunes incluyen construir chanclas y ejecutar tareas lógicas tales como y, y no operaciones.Esta versatilidad enfatiza su adopción en un espectro de contextos, desde mecanismos de control directos hasta marcos computacionales sofisticados.
Al reflexionar sobre la utilidad más amplia del 74HC00, su rendimiento confiable encuentra relevancia en los campos que abarcan electrónica de consumo a la automatización industrial.El poder de organizar estas puertas en diversos marcos lógicos otorga una libertad creativa sustancial, alentando la innovación.Los principios principales de Nand Gates inspiran soluciones a medida para obstáculos tecnológicos únicos.
El
74HC00
74HC00
RENESAS
74HC00 ST SOP
In Stock: 6124 pcs
es una puerta NAND cuádruple de dos entradas diseñada con precisión exquisita.Encarna una mezcla armoniosa de practicidad y sofisticación tecnológica.
Características
• Funciona en un amplio rango de voltaje
• Muestra retraso de propagación rápida
• Adecuado para operaciones de alta velocidad y de baja potencia
Características eléctricas
• Voltaje y corriente: este componente funciona en una amplitud de niveles de voltaje, acomodando una diversidad de necesidades de diseño.
• Rango de temperatura: funciona de manera confiable en diversos configuraciones de temperatura, lo que permite la adaptabilidad a diferentes condiciones ambientales.
Aplicaciones
• Usos generales: un componente versátil, encuentra un lugar en innumerables circuitos digitales, satisfaciendo necesidades que van desde tareas cotidianas hasta aplicaciones complejas con gracia.
• Implementaciones específicas: desde la electrónica de consumo hasta los mecanismos industriales, el 74HC00 se integra sin problemas, manifestando su utilidad en cada aplicación.
El chip
74HC00
74HC00
RENESAS
74HC00 ST SOP
In Stock: 6124 pcs
exhibe una adaptabilidad notable, que aparece con frecuencia en diversos contextos electrónicos gracias a su amplio espectro de funcionalidades.
Buffering y conducción
El 74HC00 funciona de manera experta como un búfer o controlador, fomentando la conectividad perfecta entre los circuitos.Al minimizar las gotas de voltaje y la degradación de la señal reducida, establece una comunicación consistente entre los componentes.En la electrónica práctica, el empleo del 74HC00 como búfer puede reforzar la capacidad de un microcontrolador para activar múltiples LED o módulos de retransmisión, una característica frecuente en proyectos de bricolaje.
Operaciones lógicas
Este chip permite operaciones lógicas, como las puertas NAND, formando el núcleo de los sistemas intrincados.Su integración sin esfuerzo en varios circuitos lógicos enfatiza su usabilidad.En diseño digital, aprovechar NAND Gates le permite construir circuitos lógicos sofisticados con menos componentes, mejorando tanto la asequibilidad como la compacidad.
Integración de sistemas integrados
Dentro de los sistemas integrados, el 74HC00 optimiza la ejecución de la tarea al incorporar funciones lógicas dentro de las iniciativas de microcontroladores.
Numerosos dispositivos IoT emplean este chip para ejecutar controles condicionales y administrar dispositivos periféricos, aumentando la capacidad de respuesta del sistema y la confiabilidad.
Conversión de nivel
El 74HC00 cumple un papel efectivo en la conversión de nivel, ajustando los niveles de señal entre diferentes circuitos.Esto facilita la interfaz suave de los componentes con clasificaciones de voltaje variadas.En situaciones de voltaje mixto, como vincular un microcontrolador de 5 V a un sensor de 3.3V, el 74HC00 cierra sin problemas la división, asegurando un intercambio de datos preciso.
Circuitos de tiempo y control
El chip también aparece en los circuitos de tiempo y control, ayudando en la coordinación meticulosa de tareas lógicas secuenciales, mejorando aplicaciones como los circuitos de línea de retraso y la generación de pulsos.La refinación de los circuitos de tiempo con el 74HC00 mejora la precisión en tareas como sistemas de comunicación sincrónica, salvaguardando la fidelidad de datos a través de una gestión del tiempo meticulosa.
Comparador digital para la comparación binaria
El 74HC00 funciona como un comparador digital para las comparaciones binarias, ideal para la toma de decisiones dentro de los marcos digitales.Discerne la igualdad o la variación entre las figuras binarias.El empleo del 74HC00 para la comparación binaria proporciona una ruta eficiente para implementar decisiones de ramificación en protocolos digitales variados, reforzando el rendimiento del sistema en las actividades.
Hoja de datos 74HC00:
74HC00 Detalles PDF74HC00 Detalles PDF para el P.PDF74HC00 Detalles PDF para KR.PDF74HC00 Detalles PDF para él.pdf74HC00 Detalles PDF para ES.PDF
1. ¿Cuál es la funcionalidad del 74HC00?
El
74HC00
74HC00
RENESAS
74HC00 ST SOP
In Stock: 6124 pcs
incorpora cuatro puertas NAND independientes de 2 entradas, que funciona dentro de un rango de potencia de 2.0V a 6.0V.Sirviendo sistemas lógicos digitales, permite la formación de operaciones lógicas, que forman la columna vertebral de las intrincadas arquitecturas digitales.
2. ¿Cuántas puertas NAND contiene el 74LS00?
El 74LS00 comprende un conjunto de cuatro puertas NAND, cada una diseñada con dos entradas y una salida singular.Esta configuración es una opción común al desarrollar unidades en electrónica digital.
3. ¿Qué diferencia al 74HC00 del 74LS00?
Una diferencia principal es su adaptabilidad de voltaje.El 74HC00 funciona dentro de un rango de 2 V a 6V, mientras que el 74LS00 está limitado a una fuente de alimentación de 5V.La selección a menudo depende de las variaciones de las necesidades de aplicación y los factores ambientales.
4. ¿Puedes describir la serie 74HC?
La serie 74HC presenta circuitos integrados CMOS de alta velocidad, que ofrece velocidades compatibles con TTL con un consumo de energía reducido.Su compatibilidad con los diseños de pines de la serie 74LS permite una fácil integración y reemplazo en los circuitos existentes.
5. ¿Cuáles son las aplicaciones del 74HC00?
En los circuitos digitales, el 74HC00 es instrumental donde se requieren puertas lógicas NAND para la inversión de la señal y la ejecución de acciones lógicas complejas.Su adaptabilidad lo convierte en un activo valioso en contextos educativos y empresas electrónicas profesionales.
Comparte esta publicación